首页 > 产品展示 > 执行元件 > 常用气缸 > MGP系列新薄型带导杆气缸
MGP系列新薄型带导杆气缸
3D模型下载 温馨提示:模型文件格式为:.STEP,
请安装相关软件(三维设计软件Pro/E、UG、CATIA、Solidworks等等)后才能正常预览。
产品规格

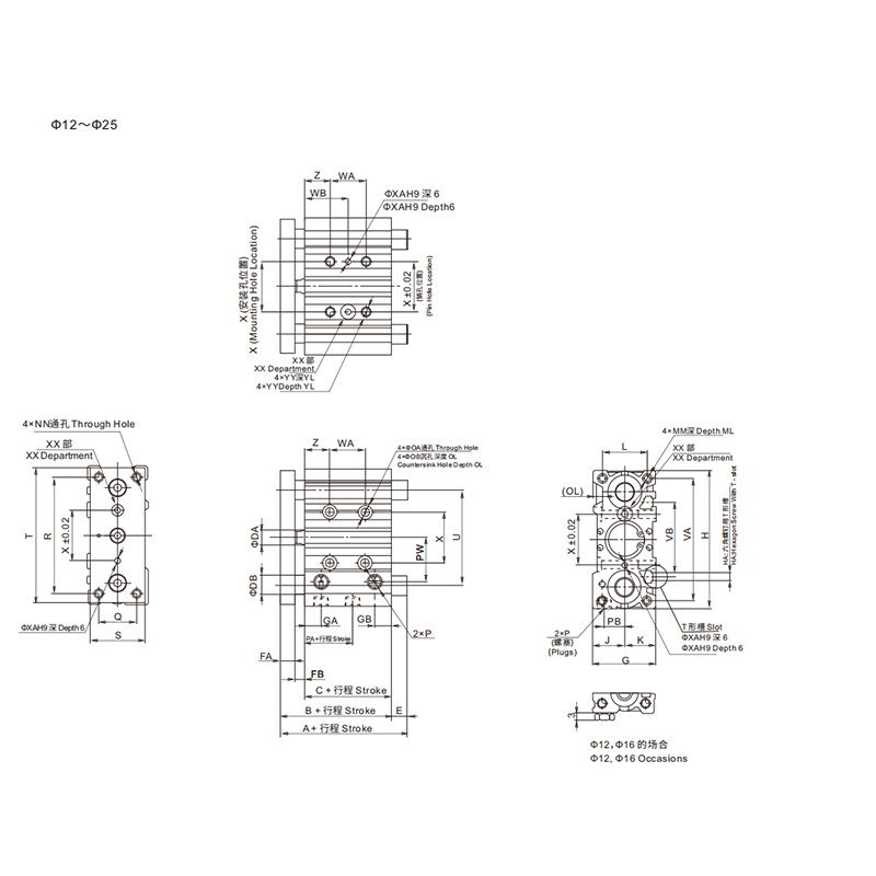
MGP系列新薄型带导杆气缸_01.pngMGP系列新薄型带导杆气缸_02.pngMGP系列新薄型带导杆气缸_03.png

您好,
欢迎您的到来
与客服联系!
销售咨询 售后服务 FAQ问题 400-864-4088
工作时间:08:00-17:00(节假日不上班)