首页 > 产品展示 > 辅助元件 > M系列微型接头 > MHLH
MHLH
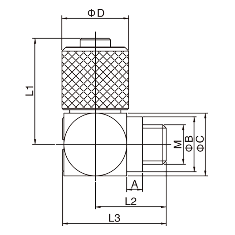
产品规格

MHLH系列微型接头_01.png

您好,
欢迎您的到来
与客服联系!
销售咨询 售后服务 FAQ问题 400-864-4088
工作时间:08:00-17:00(节假日不上班)