首页 > 产品展示 > 执行元件 > 气爪 > MHL2系列气动手指
MHL2系列气动手指
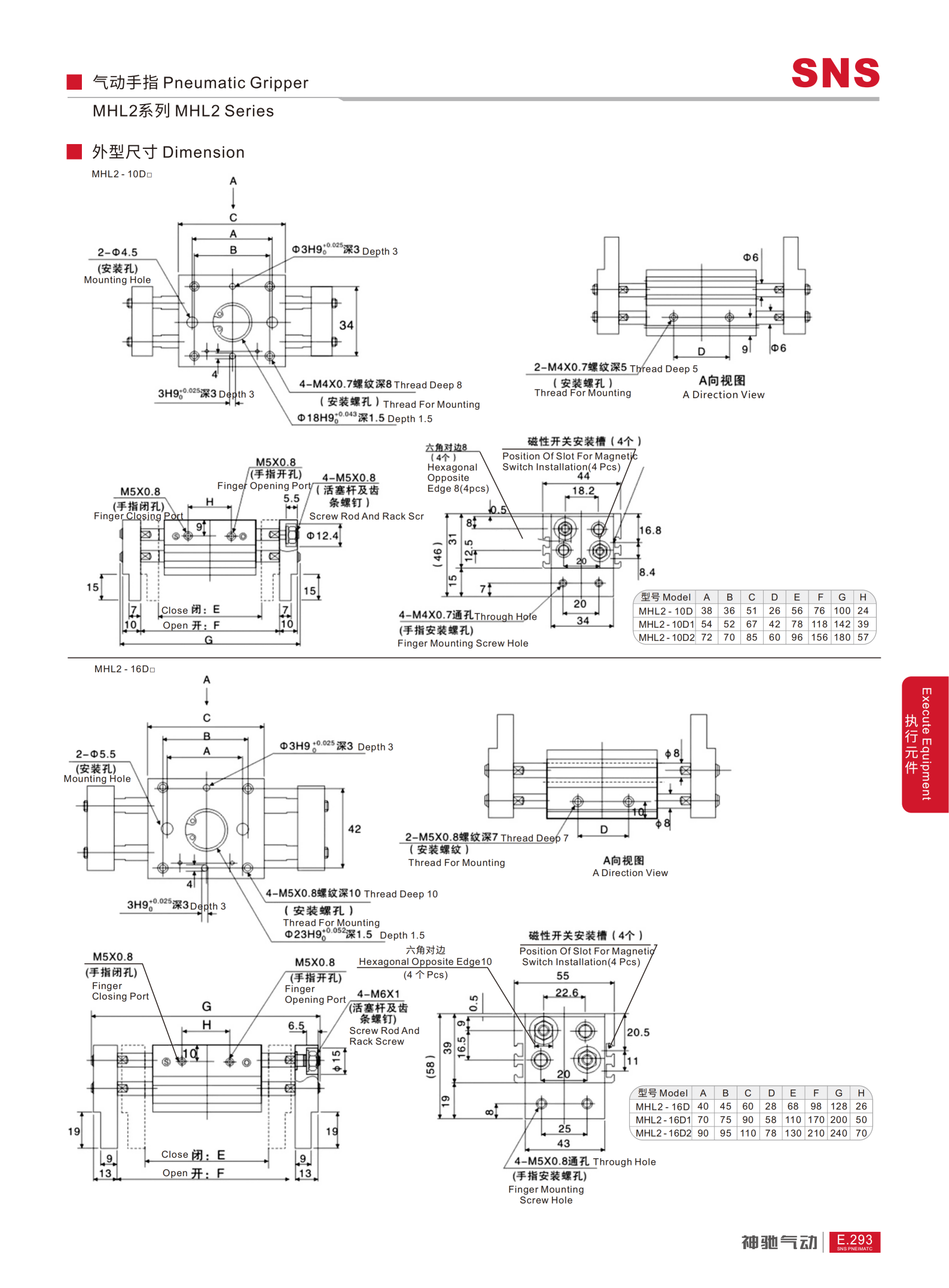
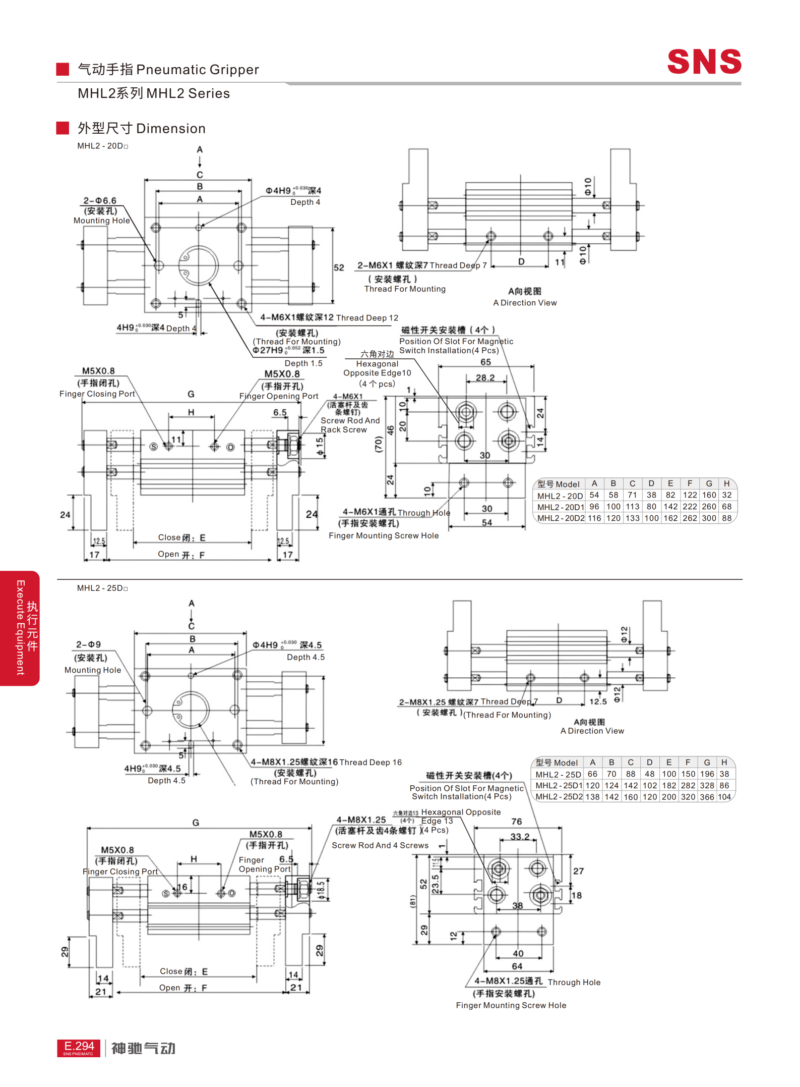
产品规格

MHL2系列气动手指_01.pngMHL2系列气动手指_02(1).pngMHL2系列气动手指_03(1).png

您好,
欢迎您的到来
与客服联系!
销售咨询 售后服务 FAQ问题 400-864-4088
工作时间:08:00-17:00(节假日不上班)