首页 > 产品展示 > 执行元件 > 附件 > SC系列FA前法兰连接板
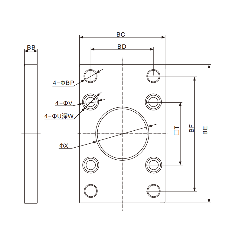
SC系列FA前法兰连接板
产品规格

SC系列FA前法兰连接板气缸附件_01.png

您好,
欢迎您的到来
与客服联系!
销售咨询 售后服务 FAQ问题 400-864-4088
工作时间:08:00-17:00(节假日不上班)